高壓成套設備
首頁
>
產品中心
>
高壓成套設備
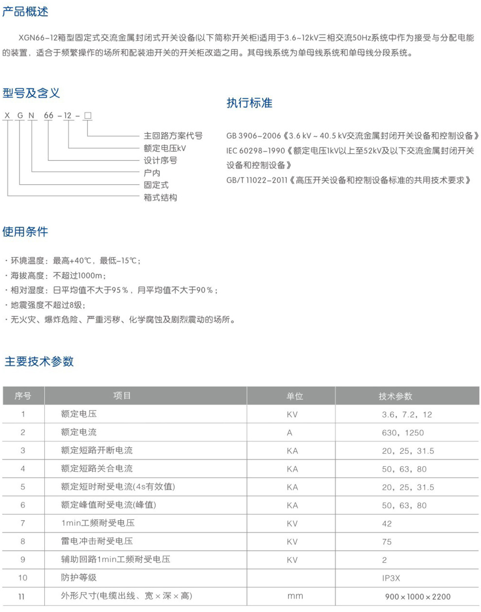
XGN66-12箱型固定式金屬封閉開關設備XGN66-12箱型固定式金屬封閉開關設備
產品描述


聯系方式

制造地址:樂清市柳市鎮上屋村

電話:0577-62712135

手機:18968966263


縱華電氣
COPYRIGHT ? 開閉所-充氣柜-高低壓配電柜-電纜分支箱-浙江縱華 ALL RIGHTS RESERVED 版權所有 浙ICP備19028796號-1